江蘇長江衡器安裝限位螺栓和調整限位空隙
安裝限位螺栓和調整限位空隙
縱向限位螺栓的安裝
在秤臺的端蓋位置,按圖7的限位示意,調整限位螺栓頭部與預埋件側面間隙保持在3mm之內,然后鎖緊螺母。

橫向限位的安裝
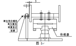
模式1:打開秤臺端蓋,按圖10的限位示意,擰入限位螺栓和鎖緊螺母,并使限位螺栓頭部與傳感器側面間隙保持在3mm之內,然后鎖緊螺母。

圖 8
模式2:打開秤臺端蓋,按圖11的限位示意,將U型橫向限位件焊接在預埋件上,并使限位螺栓頭部與U型件側面間隙保持在4mm之內,然后鎖緊螺母。

在新安裝的秤臺上反復上一輛車以保證所有連接件都能復位及所有限位都起作用,再次檢查所有限位間隙≤3mm,人在秤臺上用力晃動時應看到秤臺同時晃動。
